ATPL Graphs part 2, Long range cruise, buffet boundary - QUIZ



Question 1

Tries remaining: 1
Marked out of 1.0
Flag question

Question text

Take-off Performance Chart




Using the given performance chart calculate the take-off distance under the following conditions:

  • Temperature = 25º F
  • Pressure Altitude = 6000'
  • Gross Weight = 15,000 lbs
  • Headwind Component = 10 knots
  • Runway Gradient = 0
  • Anti-skid is on
Select one:

Question 2

Tries remaining: 1
Marked out of 1.0
Flag question

Question text

Take-off Performance Chart



Using the given performance chart calculate the take-off distance under the following conditions:

  • Temperature = 0º F
  • Pressure Altitude = Sea Level
  • Gross Weight = 14,500 lbs
  • Headwind Component = 30 knots
  • Runway Gradient = 0
  • Anti-skid is off
Select one:

Question 3

Tries remaining: 1
Marked out of 1.0
Flag question

Question text

Take-off Speed Chart

Using the given performance chart calculate the V1, Vr, and V2 under the following conditions:

  • Temperature = -20º C
  • Pressure Altitude = 5000'
  • Gross Weight = 15,000 lbs
  • Anti-ice is on
  • Headwind Component = 20 knots
  • Runway Gradient = 0
Select one:

Question 4

Tries remaining: 1
Marked out of 1.0
Flag question

Question text

Take-off Speed Chart

Using the given performance chart calculate the V1, Vr, and V2 under the following conditions:

  • Temperature = 0º C
  • Pressure Altitude = Sea Level'
  • Gross Weight = 16,500 lbs
  • Anti-ice is off
  • Headwind Component = 15 knots
  • Runway Gradient = +2
Select one:

Question 5

Tries remaining: 1
Marked out of 1.0
Flag question

Question text

Accelerate-Go Chart



Using the given performance chart calculate the field length required (accelerate-go) under the following conditions:

  • Temperature = 20º C
  • Pressure Altitude = 2,500'
  • Gross Weight = 11,000 lbs
  • Headwind Component = 15 knots
Select one:

Question 6

Tries remaining: 1
Marked out of 1.0
Flag question

Question text

Accelerate-Go Chart

Using the given performance chart calculate the field length required (accelerate-go) under the following conditions:

  • Temperature = -10º C
  • Pressure Altitude = 4,500'
  • Gross Weight = 9,100 lbs
  • Headwind Component = 0 knots
Select one:

Question 7

Tries remaining: 1
Marked out of 1.0
Flag question

Question text

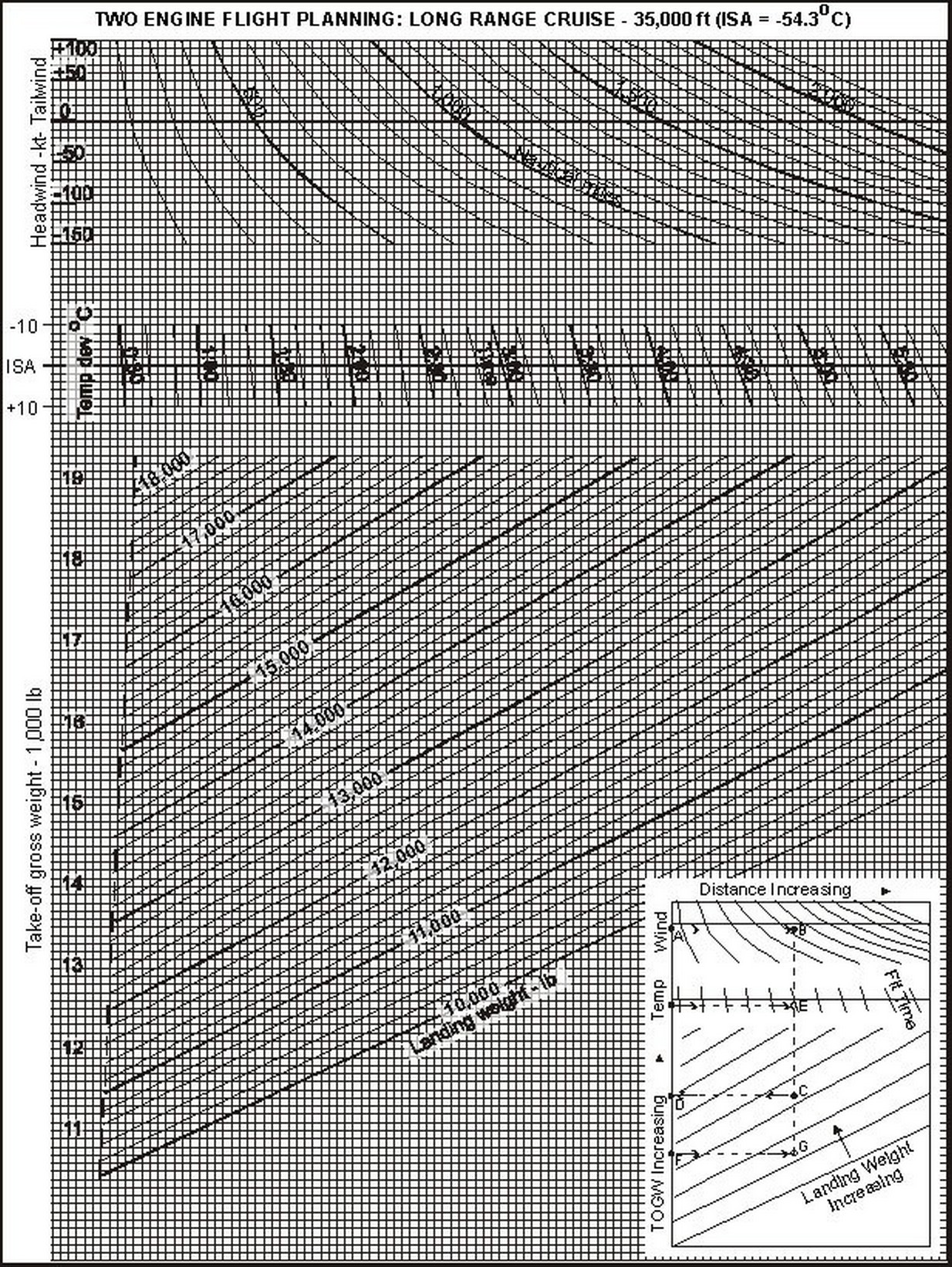
Long Range Cruise Chart



Using the given performance chart calculate the distance the aircraft can travel at 35,000' (ISA = -54.3) under the following conditions:

  • Gross Weight = 15,000 lbs
  • Landing Weight = 10,000 lbs
  • Temperature at altitude = -54.3º C
  • Headwind Component = 50 knots
Select one:

Question 8

Tries remaining: 1
Marked out of 1.0
Flag question

Question text

Long Range Cruise Chart

Using the given performance chart calculate the distance the aircraft can travel at 35,000' (ISA = -54.3) under the following conditions:

  • Gross Weight = 13,000 lbs
  • Landing Weight = 12,000 lbs
  • Temperature at altitude = -54.3º C
  • Headwind Component = 0 knots
Select one:

Question 9

Tries remaining: 1
Marked out of 1.0
Flag question

Question text

Long Range Cruise Chart



Using the given performance chart calculate the fuel required and the trip time for a 1500 NM trip under the following conditions:

  • Cruising Altitude = FL390
  • Landing Weight = 550,000 lbs
  • Temperature at altitude = ISA
  • Headwind Component = 75 knots
Select one:

Question 10

Tries remaining: 1
Marked out of 1.0
Flag question

Question text

Long Range Cruise Chart

Using the given performance chart calculate the fuel required and the trip time for a 3500 NM trip under the following conditions?

  • Cruising Altitude = FL390
  • Landing Weight = 625,000 lbs
  • Temperature at altitude = ISA + 20
  • Headwind Component = 50 knots
Select one:



 

Comments

Popular posts from this blog

VNC / VTA, Lambert and Mercator, Arc of great circle, Rhumb Lines

VFR Day & Night required equipment, required equipment MOOFACTAR & FATDAPPILOV